VLS-GM2-AR0522-SL Highlights
GMSL
Delivers data and power up to 15 meters away from the embedded system using a single wire COAX cable.
Rolling Shutter
Captures a high frame rate and low ambient noise image with a low-cost solution, suitable for static objects.
ISP
Color correction, Lens calibration, over-exposure management, and multiple functions are already taken care of with a built-in ISP.
Lens Adjustment
We provide lens calibration and correction adjustment.
Rugged and Reliable
Operates reliably in harsh industrial environments and conditions, such as strong vibrations, extreme temperatures and wet or dusty conditions.
Software Platform
Supports various platforms, programming languages and easy to build on TN-Vizion SDK series.
Waterproof
Protected from total dust ingress and long-term immersion up to a specified pressure.
Time to Market
With our pre-calibrated lens and integrated software, the camera can work directly and accelerate your time-to-market.
Specifications
| Camera Information | ||||||||||||||||||||
|---|---|---|---|---|---|---|---|---|---|---|---|---|---|---|---|---|---|---|---|---|
| 
 | ||||||||||||||||||||
| Interface | ||||||||||||||||||||
| 
 | ||||||||||||||||||||
| Power Specifications | ||||||||||||||||||||
| 
 | ||||||||||||||||||||
| Software Support | ||||||||||||||||||||
| 
 | ||||||||||||||||||||
| Environmental and Mechanical | ||||||||||||||||||||
| 
 | ||||||||||||||||||||
| Certification and Compliance | ||||||||||||||||||||
| 
 | ||||||||||||||||||||
| Commercial Information | ||||||||||||||||||||
| 
 | ||||||||||||||||||||
Block Diagram
 
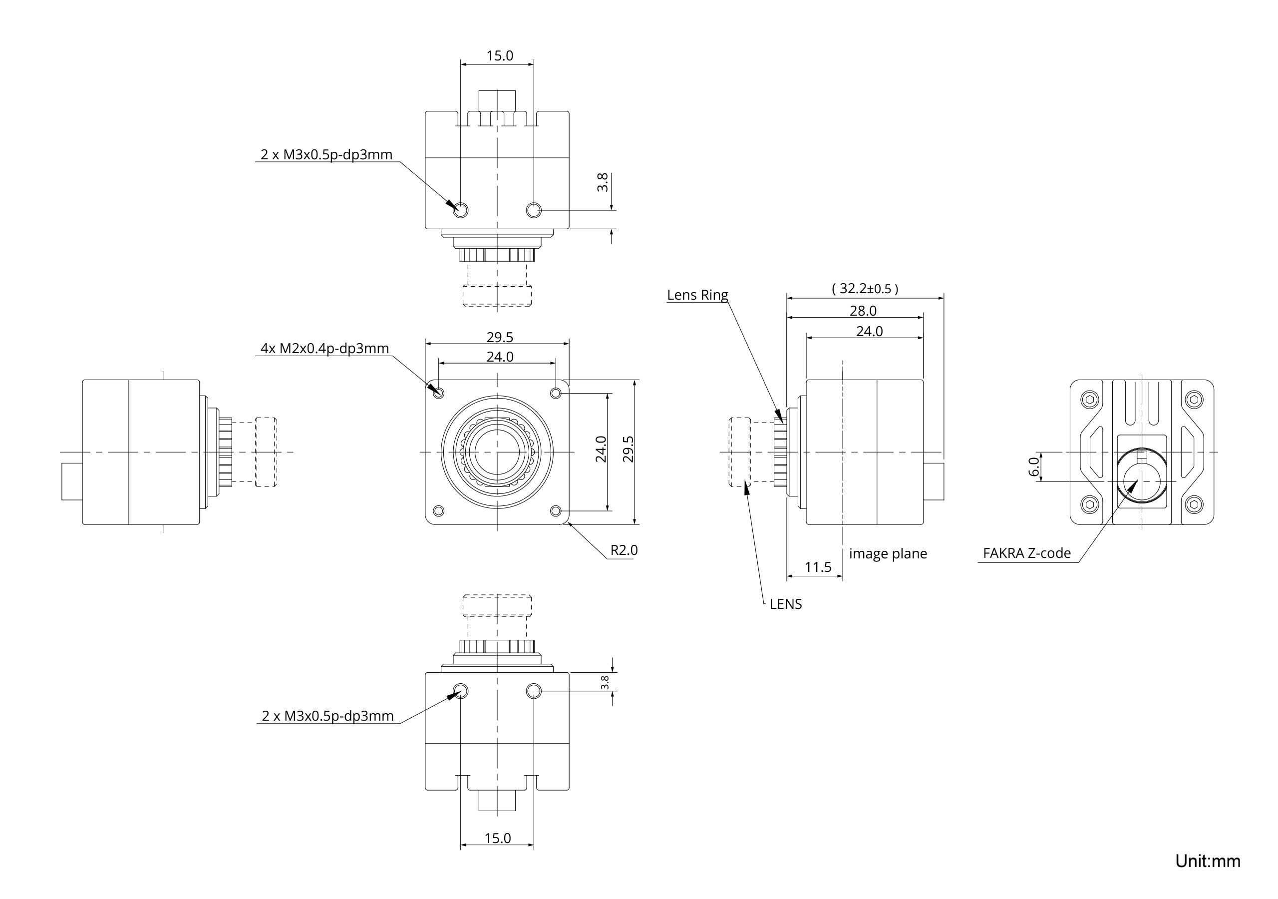
									Dimensions
 
									Spectral Characteristics
 
									Part Numbers
Order Information Example:
VLS-GM2-AR0522-x-Sxx-xx
| Option | Code | Description | 
|---|---|---|
| Chromaticity | C | Color | 
| M | Monochrome | |
| Lens | S34 | S-Mount Module D-FOV 34° | 
| S85 | S-Mount Module D-FOV 85° | |
| S140 | S-Mount Module D-FOV 140° | |
| Filter | - | - | 
| IR | IR Cut Filter 650nm | 
For further customization or questions about orders, contact your TechNexion sales representative.

VLS-GM2-AR0522-C-S34-IR
GMSL2 Aluminium Enclosed Camera with onsemi AR0522 5MP Color Rolling Shutter with Onboard ISP + 34 Degree M12 Lens with IR-Cut Filter

VLS-GM2-AR0522-C-S85-IR
GMSL2 Aluminium Enclosed Camera with onsemi AR0522 5MP Color Rolling Shutter with Onboard ISP + 85 Degree M12 Lens with IR-Cut Filter

VLS-GM2-AR0522-C-S140-IR
GMSL2 Aluminium Enclosed Camera with onsemi AR0522 5MP Color Rolling Shutter with Onboard ISP + 140 Degree M12 Lens with IR-Cut Filter

VLS-GM2-AR0522-M-S34-IR
GMSL2 Aluminium Enclosed Camera with onsemi AR0522 5MP Monochrome Rolling Shutter with Onboard ISP + 34 Degree M12 Lens with IR-Cut Filter

VLS-GM2-AR0522-M-S85-IR
GMSL2 Aluminium Enclosed Camera with onsemi AR0522 5MP Monochrome Rolling Shutter with Onboard ISP + 85 Degree M12 Lens with IR-Cut Filter

VLS-GM2-AR0522-M-S140-IR
GMSL2 Aluminium Enclosed Camera with onsemi AR0522 5MP Monochrome Rolling Shutter with Onboard ISP + 140 Degree M12 Lens with IR-Cut Filter
 
						VizionViewer™
VizionViewer™ is a companion tool and VizonSDK for adjusting embedded camera images. Specifically designed for, and provided for free with TechNexion cameras, VizionViewer™ allows control via both UVC and ISP via simple sliders. With built-in profile functionality, pre-configured settings can be easily moved to any embedded machine within minutes.
 
						Mount Bracket
An easy to attach A-Mount bracket for TechNexion 30mm enclosed cameras.
Documentation
Getting Started
Mechanical
Get a Quote
Fill out the details below and one of our representatives will contact you shortly.

 
								 
								 
								 
								 
								 
								